• 首頁
  • 關于露露
    企業介紹 核心價值 品牌故事 企業榮譽 企業責任
  • 產品介紹
    露系列 奶系列 水系列
  • 投資者專區
    露露公告 投資者教育基地 防非投保宣傳專欄
  • 新聞中心
    企業公示 企業新聞 媒體報道 市場活動 視頻中心
  • 商務公告
    招標公告 招商信息 招聘信息
  • 聯系我們
    官方商城 公司總機 售后服務 商務合作
  • Search
  • 內網入口
  • 首頁
  • 關于露露
    企業介紹 核心價值 品牌故事 企業榮譽 企業責任
  • 產品介紹
    露系列 奶系列 水系列
  • 投資者專區
    露露公告 財務信息 防非投保宣傳專欄
  • 新聞中心
    企業公示 企業新聞 媒體報道 市場活動 視頻中心
  • 商務公告
    招標公告 招商信息 招聘信息
  • 聯系我們
    官方商城 公司總機 售后服務 商務合作
lolo 2023-10-26
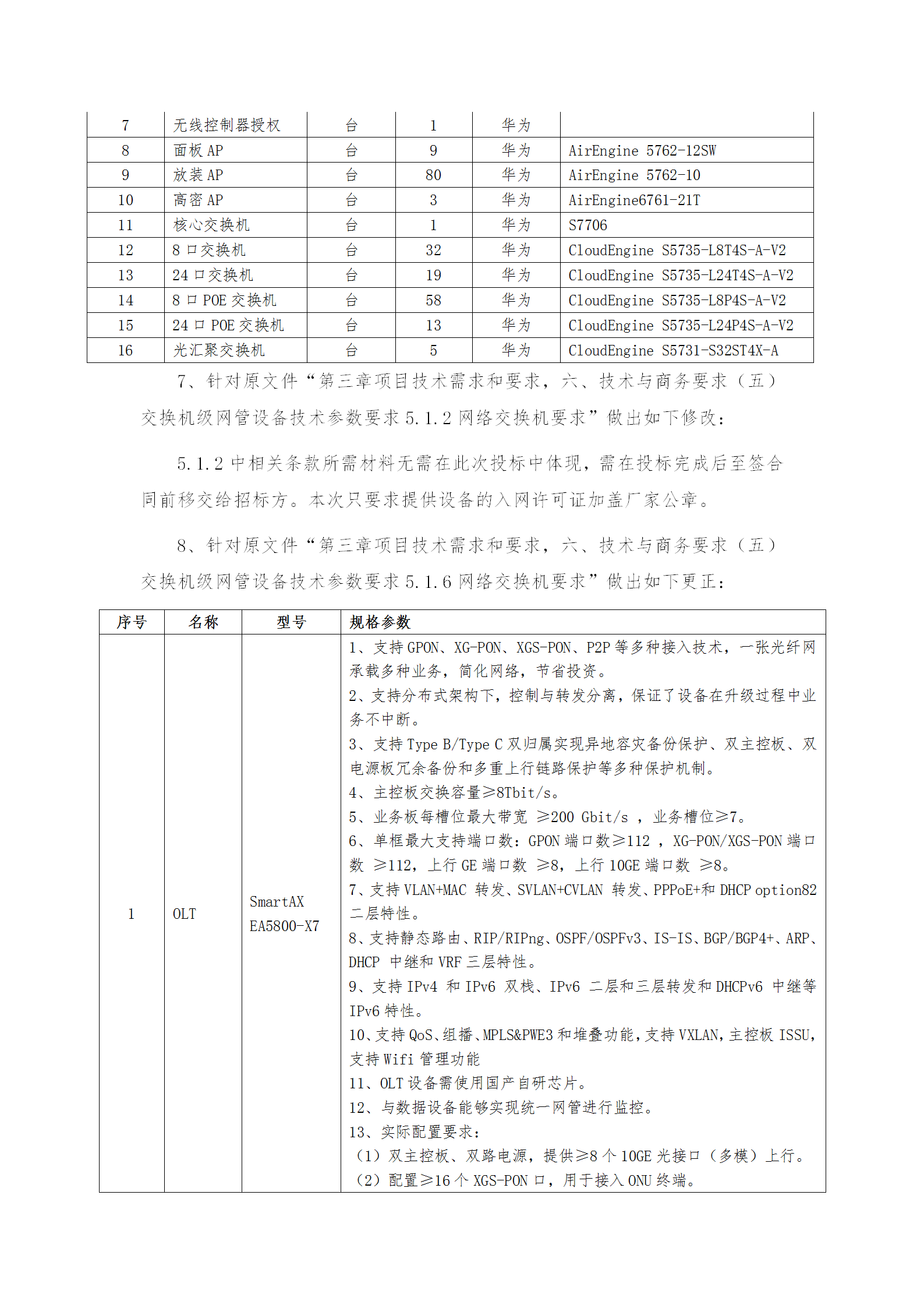
承德露露5G專網覆蓋服務及硬件設備采購實施項目補充說明(一)

本文件作為“年產50萬噸露露系列飲料項目(一期)5G專網覆蓋服務及硬件設備采購實施項目招標”(以下簡稱“原文件”)文件的補充說明文件。

28476140458d7c3a2e49bbd1e8fc94d8.pngbd14cdd29d6f72d1cc30cd035ecf3e58.png1ba3f04eb57c1ba96d6a91067b6c8c4f.png3128edf69aac1ef24e252402fa8a2912.png7999fcd9aceb6131cc2d6c5f87d25226.png28c661858c838edd09de8764e025473a.png05b00507053d581e0affd29da52be146.png

本文件作為“年產50萬噸露露系列飲料項目(一期)5G專網覆蓋服務及硬件設備采購實施項目招標”(以下簡稱“原文件”)文件的補充說明文件。


上一篇:承德露露股份公司 年產 50 萬噸露露系列飲料項目(一期) 動力設備
下一篇:承德露露5G專網覆蓋服務及硬件設備采購實施項目
返回列表

露露

有味道
中國植物蛋白飲料開創者
  • 關于露露

    企業介紹
    核心價值
    品牌故事
    企業榮譽
    企業責任
  • 產品介紹

    露系列
    奶系列
    水系列
  • 投資者專區

    露露公告
    投資者教育基地
    防非投保宣傳專欄
  • 新聞中心

    企業公示
    企業新聞
    媒體報道
    市場活動
    視頻中心
  • 商務公告

    招標公告
    招標信息
    招聘信息
  • 聯系我們

    官方商城
    公司總機
    售后服務
    商務合作

聯系我們

  • 天貓旗艦店
  • 京東旗艦店
  • 拼多多旗艦店
Copyright@2026 承德露露股份公司 冀ICP備05017468號-1

冀公網安備 13080502000142號

企業郵箱     技術支持:巴零互聯